Conventional Series Milling Heads and CNC Series Milling Heads

Our Milling Head and Angule Head are sold globally. We welcome your question, comment and suggestion.

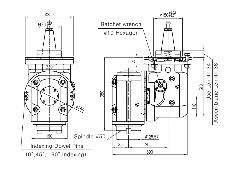
XG25A Universal Milling Head

1. The only A-axis effort-saving mechanism in the market, use a ratchet wrench to rotate the angle.

2. C-axis can be fitted with a customized adapter.


Inquiry Now

Type Spindle Type Max.Speed Max.Torque Horsepower
Gear Ratio
A-axis Rotation Angle Max. Diameter of Cutter Spindle Lubrication
XG25A ISO 50 2000 RPM 1000 N-m 35kw 1:1 ±105˚ Ø150(6") Grease

CONTACT INFORMATION

XIN GONG YANG MACHINERY CO., LTD. (OH YANG MACHINERY CO., LTD.)
No. 22, Ln. 160, Hua'an St., Taiping Dist., Taichung City 411007, Taiwan
TEL : 886-4-22715699 |
FAX : 886-4-22715299 |
E-mail : ohyoung@ohyoung.com.tw
Copyright © 2021 XIN GONG YANG MACHINERY CO., LTD. (OH YANG MACHINERY CO., LTD.) All Rights Reserved.