
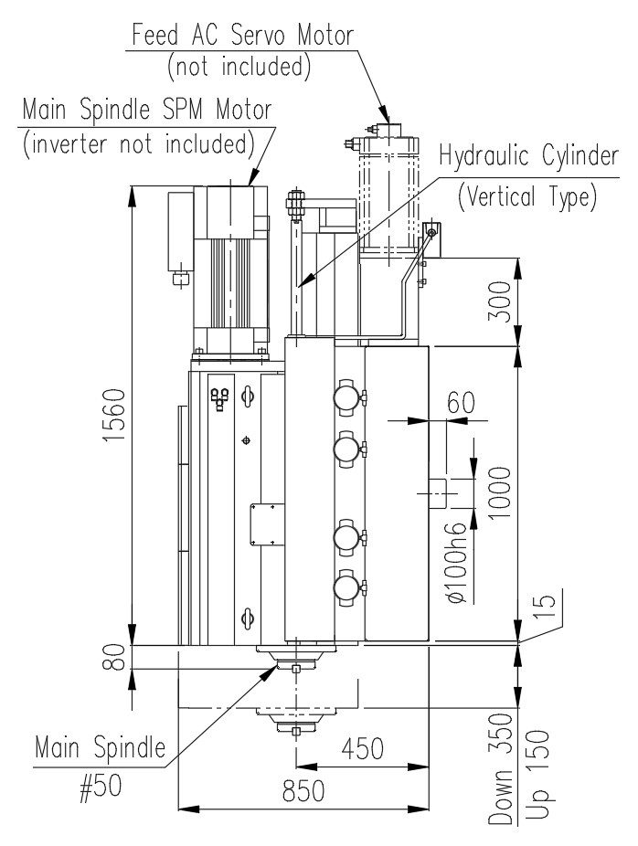
OY-U30NC Milling Head
1. This milling head is one of our CNC boring-milling head series, and most suitable forinstalling to gantry milling machine, single arm milling machine and special purpose
machine as heavy milling.
2. The whole machine uses Japan NSK bearings to ensure smooth operation and long
service life.
3. 12-step speed satisfies a variety of machining needs.
4. Four hydraulic locks reduce vibration during heavy cutting, and make the machining
more stable.
5. 22kw permanent magnet synchronous motor or servo motor is employed to ensure big
horse power, stable and smooth operation.
Inquiry Now
.jpg)
Specifications |
Spindle Motor | TECO Permanent-magnet Synchronous Motor 22kw, 30HP 1500RPM / 2000RPM |
|||
Feed Motor(Customer Provided) | Servo Motor 5.5kw | |||
Feed Travel | 500mm | |||
Speed Change Method | Manaul / 12 Section | |||
Reduction Ratio | 40.404 | 21.721 | 18.46 | 13.915 |
9.924 | 9.054 | 7.48 | 4.867 | |
4.137 | 3.118 | 2.239 | 1.718 | |
Spindle Taper | ISO / NT / BT-50 (7:24) | |||
Max. Diameter of Cutter | Ø300 |
Speed Table |
Motor 1500RPM | ||||
Output Speed | 35 | 66 | 77 | 103 |
144 | 158 | 192 | 294 | |
346 | 460 | 644 | 855 | |
Motor 2000RPM | ||||
Output Speed | 47 | 88 | 104 | 137 |
193 | 211 | 255 | 393 | |
462 | 613 | 859 | 1140 |