最新消息
關於我們
簡介
我們的願景
產品櫥窗
型錄下載
聯絡我們
語言
English
繁體中文
简体中文
台灣精製高效能CNC工具 | 鑫功陽精密搪銑削頭 / 直角銑頭
OH YOUNG在台灣製造的高性能搪銑削頭,為CNC機械加工帶來創新與卓越,確保長期耐用與操作效率。
產品櫥窗
搪銑削頭
傳統系列
半自動系列
全自動系列
角度頭
手動系列
半自動系列
全自動系列
延伸頭
手動系列
半自動系列
全自動系列
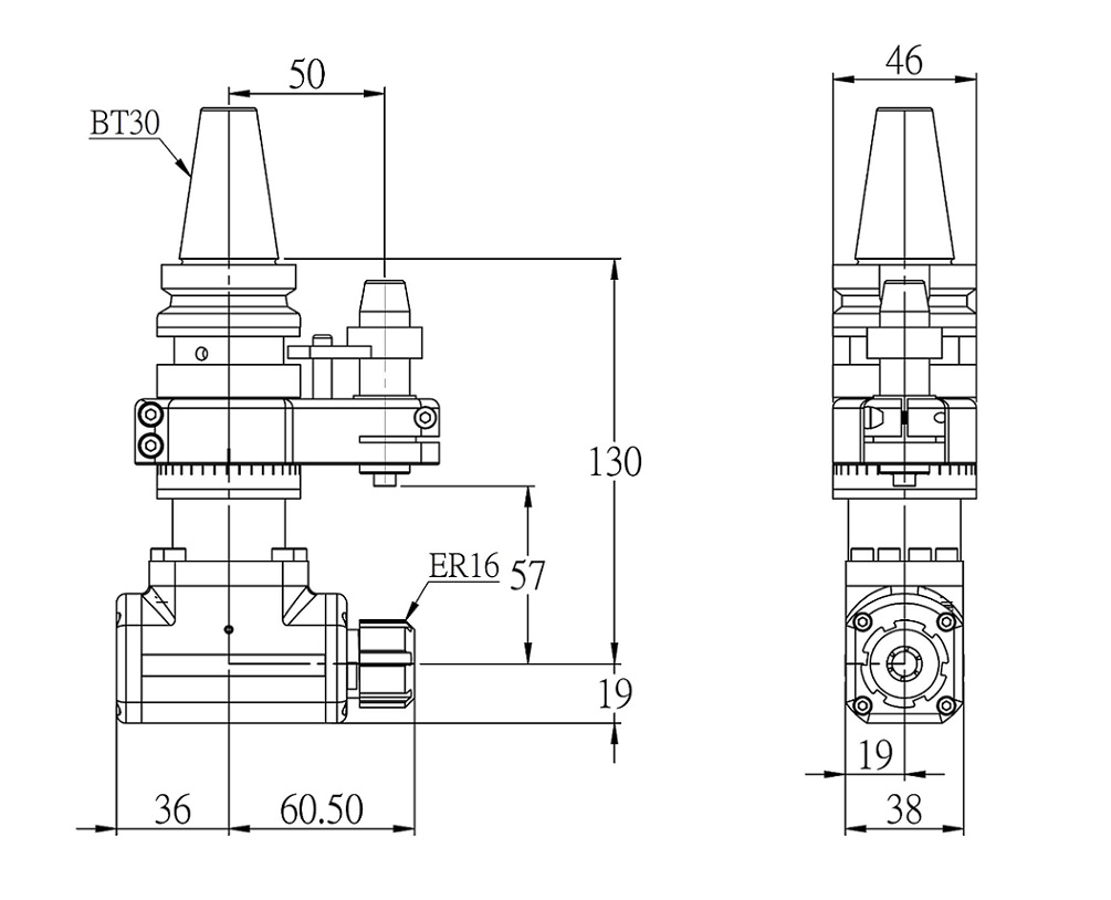
BT30-ER16-130 側銑頭
詢問
詳細
規格
型號
最高轉速
扭力值
適用工作
齒輪比數
重量
BT30-ER16-130
6000 RPM
20 N-m
輕切削
1:1
2KG
聯絡資訊
鑫功陽精密機械股份有限公司
411台中市太平區華安街160巷22號
TEL : 886-4-22715699
|
FAX : 886-4-22715299
|
E-mail :
ohyoung@ohyoung.com.tw
Copyright © 2021 鑫功陽精密機械股份有限公司 All Rights Reserved.