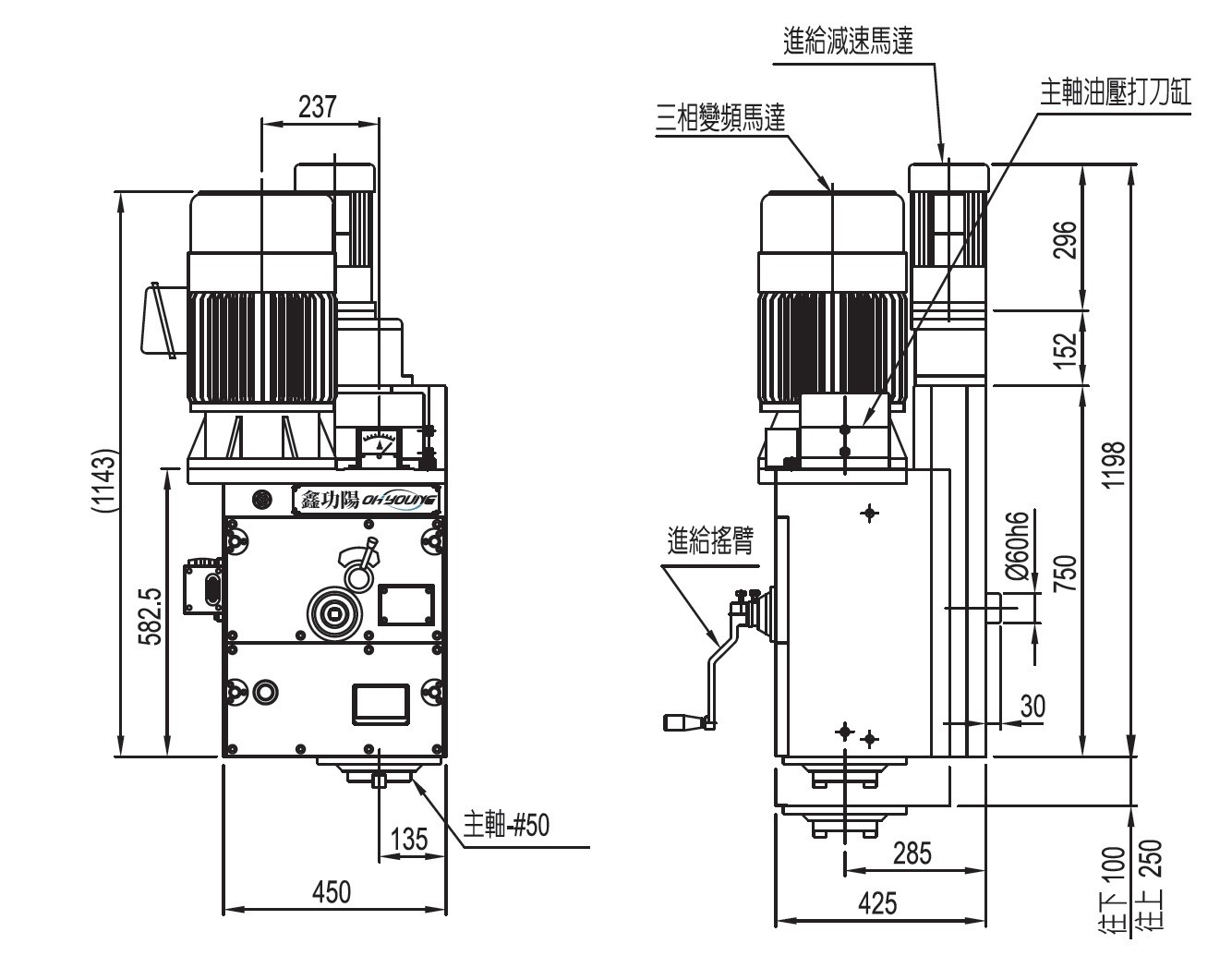
OY-XU12HL 二段變速銑削頭
1.主軸最高轉速 1500 rpm,適用於多種加工需求,確保穩定高效的切削性能。
2.油壓鎖鬆刀機構,提供快速且可靠的換刀操作,提升加工效率與生產穩定性。
3.可選高低速換檔模式,支持油壓換檔與手動換檔,滿足不同加工條件與操作需求。
詢問

| 項目 \ 型號 | XU12HL | ||||||||
| 主軸馬達 | 15~20HP 三相變頻 | ||||||||
| 高低檔位變速 | 手動變速 | 油壓變速 | |||||||
| 減速比 | H檔 | 1:2 | |||||||
| L檔 | 1:6 | ||||||||
| 主軸最高轉速 | 1500RPM (轉速高於1000RPM,需加裝油冷機) |
||||||||
| 主軸鎖退刀 | 手動 | 氣壓 | 油壓 | ||||||
| 鎖退刀型式 | M24 | NT | MAS(BT50-45°) | ||||||
| 銑刀最大直徑 | Ø250 | ||||||||
| 主軸拉刀力 | 1800 ± 100 kgf | ||||||||
| 進給行程 | 350mm (往下 100mm , 往上 250mm) | ||||||||
| 進給馬達 | 三相行星式減速馬達 | ||||||||
| 進給螺桿 | T型螺桿 (P=5) | ||||||||
註: 1.輔助平衡缸為客戶選配件。
2.CTS主軸中心出水為油壓鎖退刀客戶選配件。